Tras la realización del proyecto, consideramos que se ha obtenido un amplificador de gran calidad sonora. Se ha probado con diferentes guitarras, pedales de efectos y altavoces, obteniendo un resultado muy similar a los amplificadores valvulares comerciales que hay en el mercado.
Sin embargo, el coste de este proyecto es bastante más reducido que el de los amplificadores valvulares de similares características que podemos encontrar. En concreto, (a día de hoy) el Marshall JCM800 2205 (de 50W) se encuentra en el mercado con un precio en torno a los 1300€, y el Fender Twin Reverb 65’ podemos encontrarlo a un precio alrededor de 1700€. En este proyecto se ha invertido un presupuesto de entre 400 y 500€, aunque no se tienen en cuenta otros factores como la mano de obre, el acabado del mueble, el chasis, etc.
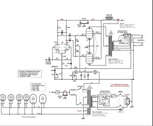
Como hemos comprobado en la medida del amplificador, el canal Fender tiene mayor ganancia y menor distorsión que el Marshall. Debemos tener en cuenta que la etapa de potencia que de nuestro amplificador está diseñada para el preamplificador Marshall, por tanto, nuestro amplificador jamás sonará igual que un amplificador Fender.
No obstante, este proyecto es bastante interesante para aquellos que buscan un sonido Marshall incluyendo la opción de tener otro canal que ofrezca un sonido mucho más “limpio” y “comprimido”. En este caso podríamos sacar el máximo rendimiento a nuestro amplificador.